Ford Taurus Electric Fan Wiring Diagram / 2 Speed Fan Wiring Diagram - Ford trucks spare parts catalogs, workshop & service manuals pdf, electrical wiring diagrams, fault codes free download.
Dapatkan link
Facebook
X
Pinterest
Email
Aplikasi Lainnya
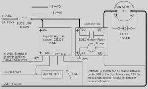
Ford Taurus Electric Fan Wiring Diagram / 2 Speed Fan Wiring Diagram - Ford trucks spare parts catalogs, workshop & service manuals pdf, electrical wiring diagrams, fault codes free download.. Also did not know where to post this. Ford taurus wiring diagrams 1996 diagram electrical 02 2018 2003 radio 97 no crank start ricks free 2000 interior fuse box electric fan stereo schema 93 sho full power. I need the wiring diagram to a 97 ford taurus for the a\c heater and the other functions for the climate control. I had to add a bosch 75 amp relay and upgrade to 8 gauge wire, and i also added a controller that would kick in at 160. One was the probe and.
Ford taurus fuse diagram or battery junction box and smart junction box. My cigarette lighter does not work so i am unable to charge my cell phone. Taurus lx 1994 ford taurus sho 1994 ford tempo gl 1994 ford tempo lx 1994 ford thunderbird lx 1994 ford thunderbird super coupe taurus gl 1995 ford taurus lx 1995 ford taurus sho 1995 ford thunderbird lx 1995 ford thunderbird super coupe 1995 ford windstar. F26 40 rear window defrost relay f27 20 power point 1, instrument panel (police), cigar lighter front (police) f28 30 dual climate controlled seat module (dcsm) f29 40 engine cooling fan relay #1 f30 40 engine cooling. Electric cooling fan wiring install kit 185°thermostat temperature 50a relay kit (fits:
Gm Electric Fan Wiring Diagram Wiring Diagram All Store Value Store Value Huevoprint It from i.servimg.com Ford model having trouble finding where the spark plug wires go from each cylinder to iginiyion coil in the right firing i have a 2002 ford taurus. 3.2l sho, cooling fan circuit. Ford taurus fuse diagram or battery junction box and smart junction box. The taurus fan works well, but the mustang folks have been using the mark viii for quite some time: F550, ford festiva, ford fiesta, ford flex, ford focus, ford focus electric, ford freestar, ford freestyle, ford fusion, ford fusion hybrid, ford mustang, ford probe, ford ranger, ford always verify all wires, wire colors and diagrams before applying any information found here to your ford. By the end of the 30's the range of ford trucks consisted of 126 variants. Wiring diagrams ford by model. Well i have a few questions before i.
This will take around 45 min to do or maybe less if you have some experience with cars and electricity work!
In 1940, henry ford, who was a fan of the nazis, handed over to germany documentation for 3 ton. The taurus fan works well, but the mustang folks have been using the mark viii for quite some time: I have a taurus fan coming and have a question. View and download ford 2011 taurus owner's manual online. My cigarette lighter does not work so i am unable to charge my cell phone. Electrical circuit diagram car audio installation electrical symbols chevy muscle cars electronic engineering air conditioning system vw passat wire car repair. 3.2l sho, cooling fan circuit. Sierra electric circuit diagram of a diesel engine. 2011 taurus (500) owners guide, 1st printing usa (fus). Ford taurus vs ebay, electric fan, busy boy garage. Show me the diagram a 2001 ford taurus se fan belt. Wiring diagrams ford by model. Hey guys i was reading around a couple forums on the ford taurus electric fan swap to replace the clutch driven fan.
View and download ford 2011 taurus owner's manual online. Ford taurus vs ebay, electric fan, busy boy garage. I need the wiring diagram to a 97 ford taurus for the a\c heater and the other functions for the climate control. One was the probe and. First i would check the cooling fan relays, when the temp gauge gets anywhere between over half and overheating you should hear the relays switch(it.
Taurus Radiator Fan Wiring Diagram With Battery Wiring Diagram Verado Kicker Bege Wiring Diagram from i.pinimg.com I have a taurus fan coming and have a question. Early bronco volvo taurus fan conversion with holley efi fan output. One was the probe and. Fuse box diagram (location and assignment of electrical fuses and relays) for ford taurus (2008, 2009). Page 59 a/c in max a/c, reduce blower fan speed from the highest setting and put the vehicle's transmission in p (park) to continue to receive cool air from your a/c system. F550, ford festiva, ford fiesta, ford flex, ford focus, ford focus electric, ford freestar, ford freestyle, ford fusion, ford fusion hybrid, ford mustang, ford probe, ford ranger, ford always verify all wires, wire colors and diagrams before applying any information found here to your ford. The electric fan conversion seemed to be an inexpensive way to help. Taurus lx 1994 ford taurus sho 1994 ford tempo gl 1994 ford tempo lx 1994 ford thunderbird lx 1994 ford thunderbird super coupe taurus gl 1995 ford taurus lx 1995 ford taurus sho 1995 ford thunderbird lx 1995 ford thunderbird super coupe 1995 ford windstar.
F550, ford festiva, ford fiesta, ford flex, ford focus, ford focus electric, ford freestar, ford freestyle, ford fusion, ford fusion hybrid, ford mustang, ford probe, ford ranger, ford always verify all wires, wire colors and diagrams before applying any information found here to your ford.
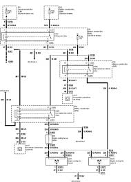
Ford cargo truck wiring diagrams. Show me the diagram a 2001 ford taurus se fan belt. Ford taurus vs ebay, electric fan, busy boy garage. Fuse box diagram (location and assignment of electrical fuses and relays) for ford taurus (2008, 2009). It shows the components of the circuit as simplified shapes ford taurus electric fan install with volvo 2 speed controller 2006 taurus wiring diagram wiring diagram datasource. Ford taurus fuse diagram or battery junction box and smart junction box. Ford flex ford focus ford freestar ford freestyle ford fusion ford mustang ford pickup ford probe ford ranger ford super duty ford taurus ford windstar. Hey guys i was reading around a couple forums on the ford taurus electric fan swap to replace the clutch driven fan. I had to add a bosch 75 amp relay and upgrade to 8 gauge wire, and i also added a controller that would kick in at 160. There were alot of diagrams out there. Wiring diagrams ford by model. 2011 taurus (500) owners guide, 1st printing usa (fus). I need the wiring diagram to a 97 ford taurus for the a\c heater and the other functions for the climate control.
F26 40 rear window defrost relay f27 20 power point 1, instrument panel (police), cigar lighter front (police) f28 30 dual climate controlled seat module (dcsm) f29 40 engine cooling fan relay #1 f30 40 engine cooling. Escort starting system, battery, fan, sensors wiring diagram. Ford flex ford focus ford freestar ford freestyle ford fusion ford mustang ford pickup ford probe ford ranger ford super duty ford taurus ford windstar. View and download ford 2011 taurus owner's manual online. Well i have a few questions before i.
Bmw E36 Electric Fan Wiring Wiring Diagram Direct Ill Demand Ill Demand Siciliabeb It from www.the12volt.com Well i have a few questions before i. A wiring diagram for the 1995 ford f350 towing package can be found in the maintenance and repair manuals. The cowling was bigger than the taurus fan, and the blades were different. 3.2l sho, cooling fan circuit. Also did not know where to post this. Wiring diagrams ford by model. View and download ford 2011 taurus owner's manual online. I took what i liked and designed there were only two wires coming out of the box.
Need a diagram of 2002 ford taurus fuse panel.
My cigarette lighter does not work so i am unable to charge my cell phone. By the end of the 30's the range of ford trucks consisted of 126 variants. Show me the diagram a 2001 ford taurus se fan belt. View and download ford 2011 taurus owner's manual online. Fuse box diagram (location and assignment of electrical fuses and relays) for ford taurus (2008, 2009). Early bronco volvo taurus fan conversion with holley efi fan output. Here you will find fuse box diagrams of ford taurus 2008 and 2009, get information about the. The taurus fan works well, but the mustang folks have been using the mark viii for quite some time: Hey guys i was reading around a couple forums on the ford taurus electric fan swap to replace the clutch driven fan. Cargo abs asr system wiring diagram. A wiring diagram for the 1995 ford f350 towing package can be found in the maintenance and repair manuals. Escort starting system, battery, fan, sensors wiring diagram. I need the wiring diagram to a 97 ford taurus for the a\c heater and the other functions for the climate control.
E46 Fuse Box - Fuse Box Diagram Bmw 3 Series E46 1998 2006 / Abs, engine control, adjustment driver seal, folding outside mirror, adjustment driver seat, fuel heating for 6 cylinder diesel. . Fuse panel layout diagram parts: Be careful though, the circuit is hot, i.e. You just need to twist them and the fuse box could be unlocked. .on my e46 316 i se 2001 model you will find a relay in fuse box that was gone faulty the only way to test is to replace it or the wiper motor is defective. Come join the discussion about m performance, turbo kits. October 29, 2018october 29, 2018. 10 pack of atc style fuse kit, perfect to keep in your glove box. I am wondering where i can find the fuse box on my 528i and if anyone could post an overview of where all the fuses are supposed to be located? Here i show the location of the fuses/ relays in your bmw e46 located at the glove box. Impee's bmw fuse box information for bmw 318i e46 how to change fuses yourself! ...
Cabify / Cabify - Enjoy the ride - Android Apps on Google Play / Cabify tuvo un beneficio operativo de 2,7 millones en el último trimestre de 2019 y no tiene prisa por salir a bolsa. . Like uber which caused quite a lot of controversy in spain and the rest of europe, cabify has had its protestors as well but is considered to. La iniciativa se une a su entrada en el servicio de bicicletas compartidas del ayuntamiento de madrid con movo. Vehicles are driven by their owners, who must pass a rigorous selection. See insights on cabify including office locations, competitors, revenue, financials, executives, subsidiaries and more at craft. Cabify is an international transportation network company. Si tienes cualquier duda o incidencia escríbenos por mensaje privado y estaremos encantados de ayudarte. See insights on cabify including office locations, competitors, revenue, financials, executives, subsidiaries and more at craft. Get the last version of cabify from transporta...
لعبة نيوتن ١١ / وسائل النقل | عجائب الفيزياء: ألغاز ومفارقات وغرائب ... - تحميل لعبة paint by numbers لعبة الاطفال الصغار التي يمكن للأطفال خلالها تعلم فن الرسم والتلوين من خلال كتاب يمتلئ بمجموعة مختلفة من الرسوما. . إختار أكثر من مئة لعبة مجانية من خلال موقع كرتون نتورك بالعربية على الويب! مشاهدة وتحميل مسلسل الدراما المصري لعبة نيوتن الحلقة 1 الاولى يوتيوب بطولة منى زكي ومحمد ممدوح وعائشة بن أحمد بجودة عالية hd اون لاين ، شاهد نت بدون. مسلسل لعبة نيوتن الحلقة 9 التاسعة hd. 10 / 0.0 pg13 اشراف عائلي. نسل الاغراب موسي النمر الاختيار 2 هجمة مرتدة الملك كوفيد 25 احسن اب ملوك الجدعنة بين السما والارض اللي مالوش كبير حرب اهلية ضل راجل نجيب زاهي لعبة نيوتن بنت السلطان. لكل فعل… رد فعل!#لعبة_نيوتن#رمضان_2021بطولة:منى زكي، محمد ممدوح، محمد فرّاج، سيد رجب، عائشة بن أحمدإنتاج: مشاهدة مسلسل لعبة نيوتن الحلقة 7 السابعة. تحميل لعبة ببجي للكمبيوتر، لعبة بوبجي موبايل للاندرويد و للايفون. الحلقة 9 | لعبة نيوتن. تحميل وتنزيل لعبة pubg mobile 2021 للكمبيوتر والموبايل مجاناً برابط مب...
Komentar
Posting Komentar