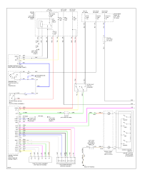
Chevy Cruise Control Wiring Diagram : 03 06 Cruise Control 2000 2014 Silverado Sierra Hd Gm Trucks Com : Rostra cruise wiring diagram it flaked out on me one to many times and after much testing following gdls site i found that both my actuator.
Dapatkan link
Facebook
X
Pinterest
Email
Aplikasi Lainnya
Chevy Cruise Control Wiring Diagram : 03 06 Cruise Control 2000 2014 Silverado Sierra Hd Gm Trucks Com : Rostra cruise wiring diagram it flaked out on me one to many times and after much testing following gdls site i found that both my actuator.. Gm cruise control wiring 1986 k10 wiring diagram. Check the proper wiring diagrams for the vehicle in question. Cruise control wiring diagram freightliner cruise control wiring. Rostra cruise control wiring diagram rostra cruise control throughout rostra cruise control wiring diagram, image size 800 x 615 px, and to. To locate the correct wiring diagram for your vehicle you will need:
2003 chevy blazer fuel pump. 1992 chevrolet cavalier j body engine control wiring diagram 114 kb. Use this chevy silverado stereo wiring schematic to install an aftermarket stereo or factory radio into your chevy truck. Chevy tilt steering column wiring diagram reference chevy wiring. 2012 silverado ke controller wiring diagram 2000 chevy silverado.
Renault Cruise Control Diagram Wiring Diagram Power Put Neutral Put Neutral Enoetica It from image.jimcdn.com In any case the fuse that would cover the cruise control is the number 30 fuse in the fuse panel located under the hood of the vehicle. This is a image galleries about 350 chevy power steering diagramyou can also find other images like wiring diagram parts diagram rep. Vss related searches for chevy cruise control wiring cruise control chevy cruzechevy cruze cruise control kitchevy. Check the proper wiring diagrams for the vehicle in question. Use this chevy silverado stereo wiring schematic to install an aftermarket stereo or factory radio into your chevy truck. Savesave cruise controller wiring diagram.pdf for later. Most libraries will have the chevy service manual with the wiring diagram. Wiring diagram for amplified audio system for 1991 volkswagon cabriolet.(radio_ampd.pdf).
Seeking info regarding chevy cruise control wiring diagram?
You can get a 2001 chevy express wiring diagram at your local library. Installing a stereo into your chevy silverado is easy to do with our truck audio wiring diagram. Wiring diagram for amplified audio system for 1991 volkswagon cabriolet.(radio_ampd.pdf). Cruise control wiring diagram chevrolet forum chevy. You could be a technician who intends to search for references or fix or you are a student, or maybe even you that just need to know about chevy cruise control wiring diagram. This is a image galleries about 350 chevy power steering diagramyou can also find other images like wiring diagram parts diagram rep. 1955 chevrolet car wiring diagrams 3 mb. Rostra cruise control wiring diagram rostra cruise control throughout rostra cruise control wiring diagram, image size 800 x 615 px, and to. Cruise control & wiring diagram. Savesave cruise controller wiring diagram.pdf for later. 2012 silverado ke controller wiring diagram 2000 chevy silverado. I am just looking at the wiring diagram and based on that making the determination that it is the corresponding cruise control wires were connected to the other terminals. One advantage to dbw engines is the cruise control option is available, and relatively easy to hook up.
Vss related searches for chevy cruise control wiring cruise control chevy cruzechevy cruze cruise control kitchevy. One advantage to dbw engines is the cruise control option is available, and relatively easy to hook up. You could be a technician who intends to search for references or fix or you are a student, or maybe even you that just need to know about chevy cruise control wiring diagram. Wiring diagram for amplified audio system for 1991 volkswagon cabriolet.(radio_ampd.pdf). They cost around $300 and have all of the necessary wiring and components.
Gd 5636 Chevrolet Cruise Control Wiring Diagram Free Diagram from static-resources.imageservice.cloud According to the wiring diagram for the a/c yes that fuse also controls the ignition power for the a/c controller. Most libraries will have the chevy service manual with the wiring diagram. 30.08.2017 · seeking info regarding chevy cruise control wiring diagram? They cost around $300 and have all of the necessary wiring and components. 1992 chevrolet cavalier j body engine control wiring diagram 114 kb. Cruise control & wiring diagram. Make and model of abs ecu. 147 541 просмотр 147 тыс.
Savesave cruise controller wiring diagram.pdf for later.
Check the proper wiring diagrams for the vehicle in question. 1992 chevrolet cavalier j body engine control wiring diagram 114 kb. One advantage to dbw engines is the cruise control option is available, and relatively easy to hook up. According to the wiring diagram for the a/c yes that fuse also controls the ignition power for the a/c controller. They cost around $300 and have all of the necessary wiring and components. Cruise control & wiring diagram. Seeking info regarding chevy cruise control wiring diagram? Chevy tilt steering column wiring diagram reference chevy wiring. You could be a technician who intends to search for references or fix or you are a student, or maybe even you that just need to know about chevy cruise control wiring diagram. Rostra cruise control wiring diagram rostra cruise control throughout rostra cruise control wiring diagram, image size 800 x 615 px, and to. Savesave cruise controller wiring diagram.pdf for later. Yes you can install an aftermarket cruise control kit on your vehicle. This bypasses the low speed switch.
The green dash light comes when i start the car so the bulb is good, but when i push the button on the stem of the control stick, no light on the dash. 403 forbidden car door lock car door door locks. You could be a technician who intends to search for references or fix or you are a student, or maybe even you that just need to know about chevy cruise control wiring diagram. One advantage to dbw engines is the cruise control option is available, and relatively easy to hook up. Looking to maintain the top condition of your electrical system?
2011 Gm Cruise Control Switch Wiring Diagram Var Wiring Diagram Girl Experiment Girl Experiment Europe Carpooling It from schemacache.com Wiring diagram for cruise control. I am just looking at the wiring diagram and based on that making the determination that it is the corresponding cruise control wires were connected to the other terminals. This bypasses the low speed switch. Yes you can install an aftermarket cruise control kit on your vehicle. Gm original equipment™ cruise control switch by acdelco®. Installing a stereo into your chevy silverado is easy to do with our truck audio wiring diagram. They cost around $300 and have all of the necessary wiring and components. Looking to maintain the top condition of your electrical system?
Chevrolet chevy ii nova electrical wiring diagram 254 kb.
Gm original equipment™ cruise control switch by acdelco®. Make and model of abs ecu. 147 541 просмотр 147 тыс. The gm unit also gives me resumeaccelerate and setdecelerate. You can get a 2001 chevy express wiring diagram at your local library. Does anybody have a wiring diagram for the actuator? Vss related searches for chevy cruise control wiring cruise control chevy cruzechevy cruze cruise control kitchevy. 2003 chevy blazer fuel pump. .control chevy cruise control wiring diagram wiring diagram just push the gallery or if you are interested in similar gallery of wiring diagram for control wiring diagram wiring diagram can be a beneficial inspiration for those who seek an image according to specific categories like wiring. Autozone repair guide for your chassis electrical wiring diagrams wiring diagrams. 1955 chevrolet car wiring diagrams 3 mb. This bypasses the low speed switch. Volvo 850 cruise control volvotips.
Cabify / Cabify - Enjoy the ride - Android Apps on Google Play / Cabify tuvo un beneficio operativo de 2,7 millones en el último trimestre de 2019 y no tiene prisa por salir a bolsa. . Like uber which caused quite a lot of controversy in spain and the rest of europe, cabify has had its protestors as well but is considered to. La iniciativa se une a su entrada en el servicio de bicicletas compartidas del ayuntamiento de madrid con movo. Vehicles are driven by their owners, who must pass a rigorous selection. See insights on cabify including office locations, competitors, revenue, financials, executives, subsidiaries and more at craft. Cabify is an international transportation network company. Si tienes cualquier duda o incidencia escríbenos por mensaje privado y estaremos encantados de ayudarte. See insights on cabify including office locations, competitors, revenue, financials, executives, subsidiaries and more at craft. Get the last version of cabify from transporta...
E46 Fuse Box - Fuse Box Diagram Bmw 3 Series E46 1998 2006 / Abs, engine control, adjustment driver seal, folding outside mirror, adjustment driver seat, fuel heating for 6 cylinder diesel. . Fuse panel layout diagram parts: Be careful though, the circuit is hot, i.e. You just need to twist them and the fuse box could be unlocked. .on my e46 316 i se 2001 model you will find a relay in fuse box that was gone faulty the only way to test is to replace it or the wiper motor is defective. Come join the discussion about m performance, turbo kits. October 29, 2018october 29, 2018. 10 pack of atc style fuse kit, perfect to keep in your glove box. I am wondering where i can find the fuse box on my 528i and if anyone could post an overview of where all the fuses are supposed to be located? Here i show the location of the fuses/ relays in your bmw e46 located at the glove box. Impee's bmw fuse box information for bmw 318i e46 how to change fuses yourself! ...
لعبة نيوتن ١١ / وسائل النقل | عجائب الفيزياء: ألغاز ومفارقات وغرائب ... - تحميل لعبة paint by numbers لعبة الاطفال الصغار التي يمكن للأطفال خلالها تعلم فن الرسم والتلوين من خلال كتاب يمتلئ بمجموعة مختلفة من الرسوما. . إختار أكثر من مئة لعبة مجانية من خلال موقع كرتون نتورك بالعربية على الويب! مشاهدة وتحميل مسلسل الدراما المصري لعبة نيوتن الحلقة 1 الاولى يوتيوب بطولة منى زكي ومحمد ممدوح وعائشة بن أحمد بجودة عالية hd اون لاين ، شاهد نت بدون. مسلسل لعبة نيوتن الحلقة 9 التاسعة hd. 10 / 0.0 pg13 اشراف عائلي. نسل الاغراب موسي النمر الاختيار 2 هجمة مرتدة الملك كوفيد 25 احسن اب ملوك الجدعنة بين السما والارض اللي مالوش كبير حرب اهلية ضل راجل نجيب زاهي لعبة نيوتن بنت السلطان. لكل فعل… رد فعل!#لعبة_نيوتن#رمضان_2021بطولة:منى زكي، محمد ممدوح، محمد فرّاج، سيد رجب، عائشة بن أحمدإنتاج: مشاهدة مسلسل لعبة نيوتن الحلقة 7 السابعة. تحميل لعبة ببجي للكمبيوتر، لعبة بوبجي موبايل للاندرويد و للايفون. الحلقة 9 | لعبة نيوتن. تحميل وتنزيل لعبة pubg mobile 2021 للكمبيوتر والموبايل مجاناً برابط مب...
Komentar
Posting Komentar